CONSTRUCCION STEEL FRAME EN PARTIDO DE LA COSTA

Aqui podes contarnos de tu proyecto subiendo fotos y videos/ o podes preguntarnos paso a paso para que te ayudemos con tu obra!!
hugor9
Mensajes: 1
Registrado: 31 de Julio de 2018 - 19:11:02
País: Argentina

CONSTRUCCION STEEL FRAME EN PARTIDO DE LA COSTA

Mensaje por hugor9 »

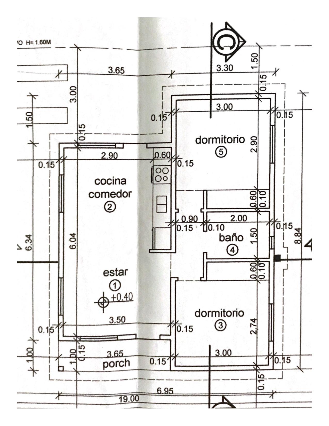
Hola Gente buenas tardes mi nombre es Hugo y estoy encarando mi segunda construcción en este caso en mar de ajo. el proyecto es sobre planos que se pensó en ladrillos y techo de viga de madera y machimbre con chapa. con lo cual debo adaptarlo al steel frame, respecto de los paneles no tengo inconveniente, ahora bien en el techo tengo que hacerlo a tres aguas con lo que se denomina cola de pato.
la parte a dos aguas le voy a resolver con las cabriadas tipo a dos aguas que figuran en los manuales,
el problema es la tercer agua qei si bien los manuales la especifican como una conformacion de 3 paneles, mi duda surge por que esta centrada en un ambiente de 6.3m x 3.6.

ahí es donde necesito de vuestra cooperación para evaluar todas las resoluciones posibles.
desde ya agradezco y todas las opiniones serán bienvenidas.
adjunto planos sobre lo que debo trabajar.
MUCHAS GRACIAS
Hugo
Adjuntos
Documentos escaneados-page-003.jpg
Documentos escaneados-page-002.jpg
plano de techo
plano de techo
Responder